連載二十七|源牌冰蓄冷技術設計與應用
2023-04-14
北京中國尊
系統深化設計與安裝效果

冰蓄冷機房平面布置圖

冰蓄冷機房BIM深化設計圖

主機及蓄冰盤管現場安裝圖
杭州青山湖科技城
本項目設計單位為杭州國電能源環境設計研究院

青山湖科技城及1#能源區域站俯瞰圖
項目概況
杭州青山湖科技城位于杭州市臨安經濟開發區北側,是浙江建設科技強省和創新型省份的重大工程,也是杭州城西科創產業集聚區的核心組成部分。規劃面積115平方公里,建成后將集聚大批科研機構和研發人才。產業化區面積40平方公里,是高端產業和高新企業的集聚地。科技城區域能源系統由源牌科技負責進行規劃、設計、建設以及運維。1#能源站位于科技城研發核心區塊,承擔研發核心區內46多家科研院近80萬平方米建筑面積的集中供冷供熱需求。夏季設計冷負荷為58382kW,冬季設計熱負荷為26600kW。其中一期工程滿足向40萬平方米建筑面積的供冷供熱能力,二期、三期工程滿足其余40萬平方米建筑面積的空調供應能力。
1#能源站制冷系統采用電制冷結合外融冰蓄冷系統,采用主機上游串聯外融冰系統流程,主機優先分量蓄冰模式設計,制冷機組總裝機容量為31650kW;配置不完全動結式復合盤管外融冰蓄冰裝置,總蓄冰量達16.48萬kWh(46848RTh)。下設換熱站30多個,自控設計控制點數1528個。綜合運用RY5600冷熱源智慧群控技術、SIEMENS S7-400H PLC控制技術、FUZZY負荷預測及優化控制技術、RG5600管網能量平衡控制技術等創新技術,已投入運行7年,經濟效益良好。二期建設于2021年啟動,計劃于2022年正式全面投用。
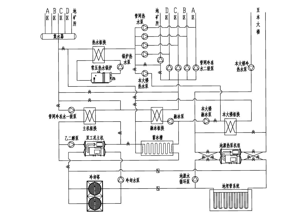
系統流程與設計參數
制冷機房位于區域能源站地下一層,除采用5臺雙工況制冷主機外,還配置1臺地源熱泵機組,為能源站所在的能源大廈供應空調冷熱水。地上一層為蓄冰房,共設計9個蓄冰槽,每個蓄冰槽內安裝12套(或9套)納米導熱復合外融冰盤管。冷卻塔設于鍋爐房屋頂,進出水溫度為37℃/32℃。
(1)工況參數
空調管網設計供回水溫度:2.5/11.5℃
雙工況制冷主機:制冰工況-5.6℃/-2.2℃,制冷工況10.5℃/5.5℃。
主機板換:乙二醇側5.5℃/10.5℃,冷凍水側11.5℃/6.5℃。
融冰板換:融冰水側1.5℃/5.5℃,冷凍水側6.5℃/2.5℃。
(2)系統流程

能源站工藝流程簡圖

